欢迎来到北京华益瑞科技有限公司!

13811233305

产品展示/ PRODUCTS PLAY

我的位置:首页  >  产品展示  >  土壤监测仪器  >  土壤热通量传感器  >  PU系列热通量传感器

PU系列热通量传感器

描述:PU系列热通量传感器由很多“标准的"传感器组成,传感器有着不同的直径和厚度。除了标准型号之外,还可以根据用户的需要生产特殊的型号。在大部分的应用中,PU系列传感器的特殊型号涉及到尺寸(大小和薄厚),温度(*高250℃),安装(灵活的安装方式),耐化学腐蚀性...

  • 产品厂地:北京市
  • 厂商性质:代理商
  • 更新时间:2025-05-28
  • 访问量:1457
产品介绍/ PRODUCT PRESENTATION

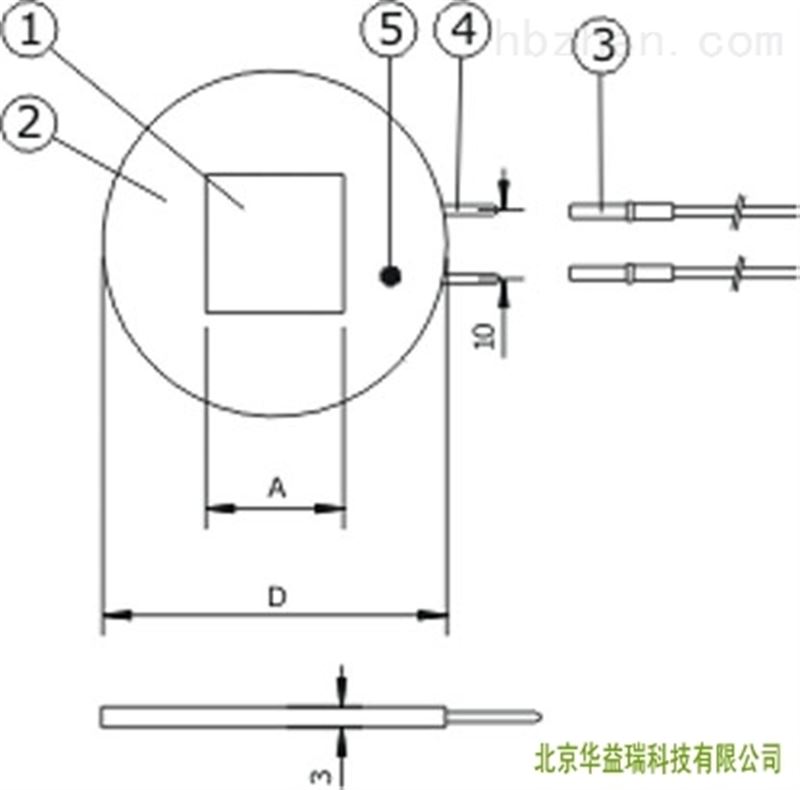
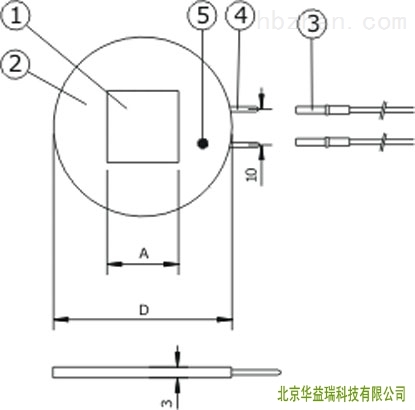
PU系列热通量传感器由很多标准的"传感器组成,传感器有着不同的直径和厚度。除了标准型号之外,还可以根据用户的需要生产特殊的型号。

在大部分的应用中,PU系列传感器的特殊型号涉及到尺寸(大小和薄厚),温度(*高250℃),安装(灵活的安装方式),耐化学腐蚀性(高)或者大覆盖面积。

PU系列标准型号由两个部分组成: 一部分是3mm厚的PU,另外一部分是1mm厚的PU-T

PU系列有着自己*的特点:

单位面积上打破记录的灵敏度

小传感器

灵活(仅PU-T

PU系列的特点可以单独使用,也可以联合起来使用,为了确保测量人体或者其它动物身体的通量,或者测量一个圆柱体的表面,PU系列传感器的外壳由聚亚安酯浇注而成。

Hukseflux的标准型号HFP01HFP03.

根据用户的需要我们可以生产特殊的型号,可以应用到不同的参数上:

尺寸(可以生产的非常大)

灵敏区域面积

厚度(1mm或者更厚)

温度/压力范围

耐化学腐蚀性

灵敏度

灵活性

热通量范围

IP保护等级

在很多特殊的设计上我们可以用硅制作,选择这个材料的结果是可以应用在高温、惰性化学物等,但是在机械强度上要小于聚亚安酯。


留言询价/ MESSAGE INQUIRY

留言框

  • 产品:

  • 您的单位:

  • 您的姓名:

  • 联系电话:

  • 常用邮箱:

  • 省份:

  • 详细地址:

  • 补充说明:

  • 验证码:

    请输入计算结果(填写阿拉伯数字),如:三加四=7
扫码关注 了解更多
地址:北京市石景山区石景山路瀚海长城大厦1002
邮箱:89404032@qq.com
联系人:胡文雯

Copyright © 2025北京华益瑞科技有限公司 All Rights Reserved    备案号:京ICP证000000号

技术支持:环保在线    管理登录